JES ENGINEERING, INC.
JES Engineering is a full-service electrical engineering company which has vast experience in design of industrial, e-commerce, commercial, institutional, medical, and specialty type projects. Together Sturm Electric / JES Engineering has successfully completed hundreds of custom design-build electrical construction projects, for many different customers. John E. Sturm, PE has over 35 years of electrical engineering experience.
The construction industry is rapidly changing in terms of LED lighting, UL electrical compatibility, life safety, arc flash, short circuit, system coordination, telecommunications, NEC code changes, grounding, etc. Sturm Electric / JES Engineering provides designs based on the latest technologies. We offer the same design and construction philosophy to all our customers. Engineering is more than a science, it's a commitment!
<
>
Amazon Galaxy
2019
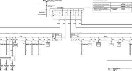
Power Distribution Systems
Power Distribution Systems
Power Distribution Systems
IRS Gateway Center West
Covington, KY
Professional Electrical Engineer of Record
IRS Gateway Center
Covington, KY
Professional Electrical Engineer of Record
Continuing Education
LED Lighting Convention 2016
San Diego, CA
CAD DESIGN, ELECTRICAL STUDIES AND DETAILED COST ESTIMATING
All Sturm Electric design-build projects are custom designed and studied to ensure customer satisfaction. Most importantly, all Sturm Electric design-build projects are based on ensuring that the public safety and the electrical aspect of owners' buildings and properties are protected, without question. Sturm Electric offers:
<
>
Lighting Photometrics
Lighting Design
Power Systems Design
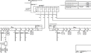
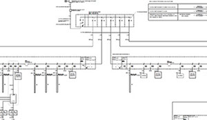
Power Distribution System
One-Line Diagram
Kevin Shulte and Don Schuler
Design Coordination
Kevin Shulte
Electrical Designer
Kevin Sturm
Estimating
Field Coordination
MEP COORDINATION
Sturm Electric has vast experience in the mechanical, electrical and plumbing (MEP) coordination process. This MEP coordination experience allows Sturm Electric to solve many problems in the design phase of a project. An effective MEP coordination process is the key to a successful project.
<
>
Ceiling Systems Coordination
Fire Suppression System Coordination
Sprinkler Riser
Fire Suppression System Coordination
Sprinkler Riser
Owner Equipment Coordination
Fire Alarm System Booster Panels
Elevator Coordination
Equipment Coordination
HVAC Coordination
HVAC Coordination
Equipment Coordination
Ethicon Endo-Surgery
John E. Sturm, PE was Mechanical/Electrical
Engineer with Turner Construction
Diesel Fire Pump, Generator, and Water Tank Coordination
Fire Suppression System Coordination
Fire Pump
JOHN (JACK) E. STURM, PE
During the eleven years that John E. Sturm, PE left the family business, he spent two years with Crouse Hinds Cooper Industries and nine years with Turner Construction Company. Those years were extremely educational, in terms of understanding the overall construction process and how the electrical aspect interrelates in the areas of power distribution systems and the mechanical-electrical interfaces. During the years with Turner Construction Company, John worked with many leading architectural and engineering companies from around the country. John worked on the preconstruction and/or the construction aspect of the following projects:
John also taught electrical construction knowledge to ten Turner Construction district offices nationwide and for one year was the QAQC Chairman for the Cincinnati office.
JES Engineering currently holds professional engineering licenses in the Commonwealth of Kentucky, State of Ohio and State of Indiana. John E. Sturm, PE has been a Professional Electrical Engineer since 1986, after becoming an Electrical Engineer (BSEE) from the University of Kentucky in December of 1980. John is a Master Electrician for the Commonwealth of Kentucky, Notary Public for the Commonwealth of Kentucky and a Kentucky Colonel. In addition, John was a councilman for the City of Edgewood, Kentucky for six years.
<
>
John (Jack) E. Sturm, PE
Vice-President / Co-Owner
John (Jack) E. Sturm, PE
Vice-President / Co-Owner
Jack Sturm and Michele Colegate
Austin, TX
Registered Professional Engineer
Kentucky, Ohio and Indiana
Donald and John Sturm
Bill and Jack Sturm
Mayoral Proclamation City of Elsmere, KY
February 12, 2019
100 Years Serving the Electrical Industry
John E. Sturm, PE
John E. Sturm, Jr., PE
John E. Sturm, III, ?
John and Christina Sturm
John's Grandson (Traye Sturm)
First Paycheck of Fifth Generation
Browse
STURM ELECTRIC, INC.
Not Just a Company, It's a Tradition
Contact
6830 Power Line Dr.
Florence, KY 41042
P | (859) 342-6620
F | (859) 342-6639
Web Design by JES Engineering, Inc.
Copyright 2019